QMF型淹没阀|QMF型电磁阀|脉冲电磁阀-QMFD-100型电磁脉冲阀-快三导师带计划赚钱-快三代玩赚佣金-全天1分快三免费计划-分分快三稳赢计划平台-快三免费计划软件

手机站|首页| 网站地图
快三导师带计划赚钱-快三代玩赚佣金-全天1分快三免费计划-分分快三稳赢计划平台-快三免费计划软件
服务热线:
15028677483
热门关键词: 电磁脉冲阀|标准气缸|DMF-70-Z直角式电磁脉冲阀|DMF-T直通式电磁脉冲阀|4寸电磁脉冲阀|DSF-Y80淹没式电磁脉冲阀|DSF-80泰山大盖淹没电磁脉冲阀|
QMF型淹没阀-QMF型电磁阀-脉冲电磁阀

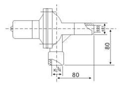
QMFD-100型电磁脉冲阀

QMF型淹没阀,QMF型电磁阀是由QMF-100型脉冲阀和KXD型电磁阀结台而成的一体脉冲电磁阀。 详询电话 : 15028677483(王凤杰)
产地:河北省>泊头市
供应商:快三导师带计划赚钱-快三代玩赚佣金-全天1分快三免费计划-分分快三稳赢计划平台-快三免费计划软件
咨询热线:15028677483

QMFD-100型电磁脉冲阀详细介绍

 

该阀是由QMF-100型脉冲阀和KXD型电磁阀结台而成的一体脉冲电磁阀。脉冲阀出口采用耐压胶管与喷吹管连接。电磁阀特点及技术参数与KXD型电磁阀相同。
    工作压力:0.3—0.7MPa该阀主要用于Mc侧开门式Mc-I型脉冲袋式除尘器喷吹系统。
   

网站首页|快三导师带计划赚钱-快三代玩赚佣金-全天1分快三免费计划-分分快三稳赢计划平台-快三免费计划软件简介|产品目录|电磁脉冲阀|除尘资讯|采购指南|工程案例|公司业绩|服务承诺|联系方式|
公司名称:快三导师带计划赚钱-快三代玩赚佣金-全天1分快三免费计划-分分快三稳赢计划平台-快三免费计划软件 公司地址:河北省泊头市西环西路109号 电话:0317-8291813 传真:0317-8198561 
手机:15028677483  网址:http://www.digiarcz.com 
快三导师带计划赚钱-快三代玩赚佣金-全天1分快三免费计划-分分快三稳赢计划平台-快三免费计划软件 2011(C)版权所有 并对网站所有内容保留解释权 冀ICP备12022719号-5 

冀公网安备 13098102000325号

PowerBy:速贝·网搜宝 网站建设:中科四方 技术支持:速贝微博